發布時間:2023-09-21
來源:上海弘泱機械科技有限公司
污水提升泵站是什么:
污水提升泵站是用于處理城市或工業區域內的廢水和污水的關鍵基礎設施。其主要任務是將低地勢區域中產生的污水抽送到高地勢區域的污水處理廠,以防止污水倒流或溢出,確保衛生和環境保護。
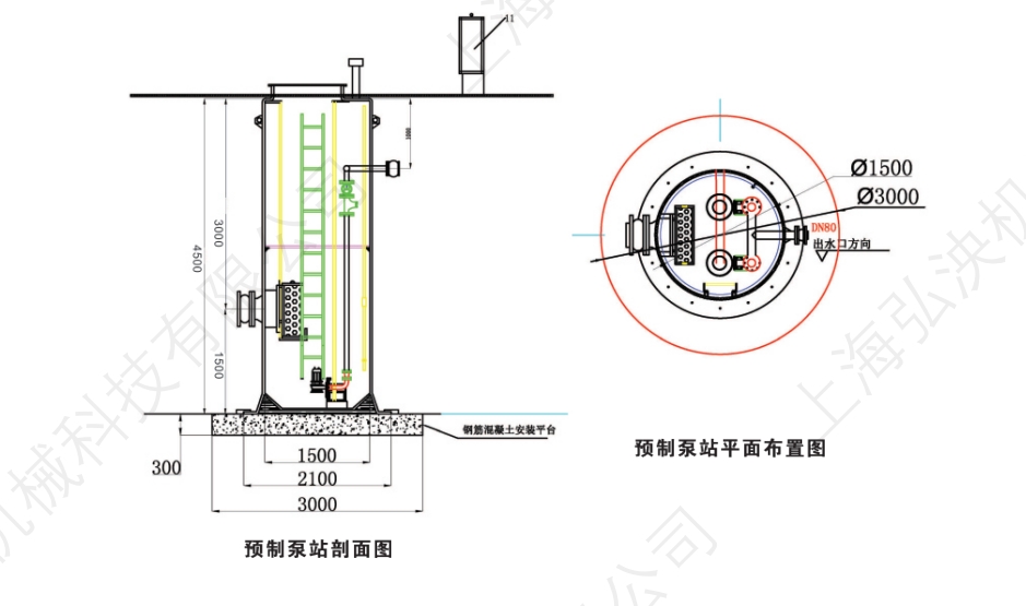
污水提升泵站內部/外部結構圖
污水提升泵站結構:
污水提升泵站的結構主要包括以下組成部分:
泵室:泵室是泵站的主要容器,通常由混凝土制成,用于容納泵、管道和相關設備。它具有防水設計,以防止泄漏。
泵:污水提升泵站配備了污水泵,通常是離心泵或切割泵,用于將污水抽送到高地勢區域。泵的類型和數量取決于需要處理的流量和揚程。
管道系統:管道系統用于將污水從低地勢區域輸送到高地勢區域的污水處理設施。這些管道通常具有閥門和控制設備,以控制流量和方向。
控制系統:污水提升泵站配備了自動控制系統,用于監測和控制泵的啟停、調速和維護。這確保了系統的可靠性和效率。
電氣系統:電氣系統包括電纜、電線、電動機和控制面板,用于供電和控制泵站的各個部分。
污水提升泵站設備工程圖
污水提升泵站運行原理:
污水提升泵站的運行原理包括以下步驟:
污水進入泵室:污水從低地勢區域通過管道進入泵室。
泵的運行:污水泵開始運行,通過吸力將污水抽取到泵內。
抽送污水:泵將污水推送到高地勢區域的管道系統中,以便進一步處理。
控制和監測:自動控制系統監測污水流量和水位,并根據需要控制泵的運行,以確保系統按照預定要求工作。
污水處理:高地勢區域的管道將污水輸送到污水處理設施,進行進一步的凈化和處理。
污水提升泵站特點:
污水處理關鍵環節:污水提升泵站在城市和工業區域中是不可或缺的,它確保了廢水能夠安全、高效地進入處理系統。
環保:現代污水提升泵站通常設計為環保型,具備節能和廢水凈化功能,有助于減少對環境的不良影響。
自動化和遠程監控:污水提升泵站配備了自動控制系統,可以實現遠程監控和操作,提高了運行的可靠性和效率。
適用性廣泛:適用于城市排水系統、污水處理廠、工業廢水處理等各種應用場景。
長期可維護性:設計考慮到長期運行,易于維護和保養。
污水提升泵站定制流程:
需求分析:與客戶合作,明確項目需求,包括流量、揚程、處理能力等要求。
設計和工程:工程師設計泵站,包括選擇合適的泵、管道布局、控制系統和電氣設備。
制造和裝配:泵站的組件在工廠內制造和裝配,進行質量控制和測試。
運輸和安裝:將預制泵站組件運輸到工程現場,并進行安裝。
測試和調試:對泵站進行測試和調試,確保其正常運行。
培訓和交付:向客戶提供培訓,交付泵站,并開始正式運行。
維護和支持:提供長期維護和支持,以確保泵站的可靠性和性能。
以上是一般性的污水提升泵站定制流程,具體步驟可能會根據項目的規模和復雜性而有所不同。

備注:以上部分圖片來自網絡,如若侵犯到您的版權信息,請聯系我們,我們將在收到您信息的1個工作日內刪除。
本文標題:污水提升泵站相關知識
責任編輯:弘泱機械科技編輯部
本文鏈接:http://www.mcnds.com/xwzx/hydt/6897.html 轉載請注明出處